07FS02防護密閉套管是按照~07FS02標準圖集制作的密閉套管,廣泛應用于地下工程、化工、鋼鐵、建筑、化工、剛鐵、自來水、污水處理等管路穿墻壁要求嚴密防水之處。04FS02柔性密閉套管_兩側防護柔性密閉套管作用 :07FS02柔性密閉套管是為了解決有些地下工程需要管路穿墻而過,而通過處又有嚴密防水要求;還有些構筑物也需要管路穿墻而過,同時又限制管路不能因溫度變化或外力產生伸縮和位移,更不允許管路在外在因素作用下產生振動而設計制作的。它的外殼一次性澆注在墻壁上,管子從套管中間通過,管子外徑與套管中間用填料密封,起到了防水和減振作用。兩側防護柔性密閉套管材質 :
1、柔性密閉套管是按照~標準04FS02制造生產,材料采用Q235-A。
2、柔性填料材料:瀝青麻絲,聚苯乙稀板,聚氯乙烯泡沫塑料板。
3、密封膏:聚硫密封膏,聚胺脂密封膏。
以上是針對07FS02防護密閉套管作出的詳細介紹,上海駱盈生產的07FS02防護密閉套管管是按照~07FS02標準圖集制作的密閉套管,廣泛應用于地下工程、化工、鋼鐵、建筑、化工、剛鐵、自來水、污水處理等管路穿墻壁要求嚴密防水之處。生產的每一步都講究精益求精,專業致力于管道行業,質量值得您的信賴。
產品名稱:07FS02防護密閉套管
別 名:密閉套管,防護密閉套管,兩側防護密閉套管
口徑規格:【DN50mm-DN3200mm】
產品顏色:天藍色、紅色(實物顏色見產品展示圖片)
適用范圍:【鋼管、PP管等】
產品標準:07FS02(圖集號)
產品等級:A級,
工作溫度:-20度至80度(還可加工整體304、316、316L不銹鋼)
在線咨詢
購買熱線: 021-622-00727
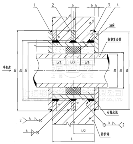
07FS02防護密閉套管 A B C D E F型的區別
A型;鋼制套管 數量1材質 (Q235A)翼環數量1 材質(Q235A)
B型;鋼制套管 數量1材質(Q235A)翼環數量1 材質(Q235A) 擋圈 數量1 材質(Q235A) 說明;鋼管和擋圈焊接后經鍍鋅處理,再施行與套管安裝。
C型;鋼制套管 數量1材質(Q235A)翼環數量1 材質(Q235A) 固定法蘭 數量1 材質(Q235A 擋板數量1 材質(Q235A)說明;管道和填充材料施工完后,再施行擋板和固定法蘭焊接。
D型;鋼制套管 數量1材質(Q235A)翼環數量1 材質(Q235A)固定法蘭 數量1 材質(Q235A 擋板數量1 材質(Q235A)擋圈 數量1 材質(Q235A) 說明;鋼管和擋圈焊接后經鍍鋅處理,再施行與套管安裝,填充材料施工完后,再施行擋板和固定法蘭焊接。
E型;鋼制套管 數量1材質(Q235A)翼環數量1 材質(Q235A) 固定法蘭 數量2 材質(Q235A 擋板數量2 材質(Q235A)管道和填充材料施工完后,再施行擋板和固定法蘭焊接。
F型;鋼制套管 數量1材質(Q235A)翼環數量1 材質(Q235A) 固定法蘭 數量2 材質(Q235A 擋板數量2 材質(Q235A)鋼管和擋圈焊接后經鍍鋅處理,再施行與套管安裝填充材料施工完后,再施行擋板和固定法蘭焊接。
07FS02防護密閉套管是按照~07FS02標準圖集制作的密閉套管,廣泛應用于地下工程、化工、鋼鐵、建筑、化工、剛鐵、自來水、污水處理等管路穿墻壁要求嚴密防水之處。04FS02柔性密閉套管_兩側防護柔性密閉套管作用 :07FS02柔性密閉套管是為了解決有些地下工程需要管路穿墻而過,而通過處又有嚴密防水要求;還有些構筑物也需要管路穿墻而過,同時又限制管路不能因溫度變化或外力產生伸縮和位移,更不允許管路在外在因素作用下產生振動而設計制作的。它的外殼一次性澆注在墻壁上,管子從套管中間通過,管子外徑與套管中間用填料密封,起到了防水和減振作用。兩側防護柔性密閉套管材質 :
1、柔性密閉套管是按照~標準04FS02制造生產,材料采用Q235-A。
2、柔性填料材料:瀝青麻絲,聚苯乙稀板,聚氯乙烯泡沫塑料板。
3、密封膏:聚硫密封膏,聚胺脂密封膏。
上海駱盈為長治市主城區污水處理改擴建工程項目提供防護密閉套管產品。長治市主城區污水處理改擴建工程是“山西省城鎮污水處理‘十二五’規劃建設項目”和長治市“十二五”重點城市基礎設施建設項目。項目作為推進我市市域城鎮化建設的重要工程之一,對我市城市化發展,生態城市、宜居城市建設具有重要意義。設計新增日處理污水能力10萬噸/日,改建原污水處理能力10萬噸/日(合計20萬噸/日)。處理標準為~標準一級A。
該項目對改善城市生態環境、保障人民身體健康,降低城市污水對環境的污染,促進海河流域水環境改善將發揮積極作用。預計工程建成后可減少化學需氧量COD8000噸/年、生化需氧量BOD5000噸/年、氨氮700噸/年。
項目的建成,將大大提升我市的基礎設施水平和環境質量水平,對美化城市居民生產生活環境、促進生態城市建設、優化投資環境將起到重要作用。項目的建成,將進一步提升我市污水處理能力,提高中水回用能力,對減輕我市水資源開發壓力,降低城市工業企業甚至社會、家庭用水成本具有較大的經濟價值。主城區污水處理改擴建工程完工后,不僅可實現對主城區城市污水的完全處理,同時也將形成對上黨新區城市污水進行處理的能力,對漳澤湖水質和濕地生態產生積極影響。

請點擊圖片看大圖
| 編號 | 名稱 | 數量 | 材料 |
| 1 | 鋼制套管 | 1 | Q235-A |
| 2 | 翼環 | 1 | Q235-A |
| 3 | 固定法蘭 | 2 | Q235-A |
| 4 | 擋板 | 2 | Q235-A |
請點擊圖片看大圖
|
DN |
D1 |
D2 |
D3 |
D4 |
δ |
b |
k |
|
50 |
60 |
62 |
114 |
225 |
3.5 |
10 |
4 |
|
65 |
75.5 |
77.5 |
121 |
230 |
3.75 |
10 |
4 |
|
80 |
89 |
91 |
140 |
250 |
4 |
10 |
4 |
|
100 |
108 |
110 |
159 |
270 |
4.5 |
10 |
5 |
|
125 |
133 |
135 |
180 |
290 |
6 |
10 |
6 |
|
150 |
159 |
161 |
219 |
330 |
6 |
10 |
6 |
|
200 |
219 |
221 |
273 |
385 |
8 |
12 |
8 |
專業制造、專業服務,駱盈為你創造更多價值 !
不斷提升服務質量,精益求精,“真誠的服務”是駱盈永恒的主題。駱盈嚴格按照 要求,質量嚴格把關,責任到人,確保生產、銷售、服務的健康運行。加強與用戶溝通,竭誠為廣大客戶提供優質產品,至善至美服務,特此駱盈做出如下承諾:
產品標準
產品嚴格按照中國 GB、HG 標準和美國 API 等標準設計、制造、驗收。密封面硬度達到規定要求,寬度超過標準。
售前服務
產品介紹,技術交流,非標產品設計,疑難解答。
售中服務
1、守信合同,保證及時供貨,隨時保持與客戶聯系
2、對特殊或復雜的產品,我廠安排技術人員對用戶進行產品使用、故障排除、調式及維修進行培訓和指導。
售后服務
1、駱盈產品質保期為自出廠起 12 個月,實行“三包”服務(包退、包換、包修)。
2、產品在使用中我廠定期組織技術、檢查人員進行訪問,征詢用戶對產品質量、使用狀況、改進意見等方面的反饋,以便進一步提高產品質量。
3、對用戶投訴產品質量問題,快速做出反映,售后服務人員在 24-36 小時(省外 48 小時)趕赴現場。
4、對售后服務,要求用戶填寫服務后的質量反饋表,并做出鑒定意見,共同提高駱盈的產品質量與服務質量。
1、客戶采購清單請傳真至 021-64207088 E-mail:luoying@luoyingsh.com,或來電咨詢 021-62212627。
2、收到客戶采購清單,為客戶提供產品型號選型與報價(價格清單)。
3、具體商定:交貨期、特殊要求等事宜。
訂貨須知
1、客戶對產品有特殊要求,須在訂貨合同中提供以下說明:
(1)結構長度
(2)連接形式
(3)公稱直徑、全通徑、縮徑、管道尺寸
(4)用介質及溫度、壓力范圍
(5)實驗、檢驗標準及其他要求本廠可根據客戶特殊要求配置定做和設計特殊產品。
2、本廠可根據客戶特殊要求配置定做和設計特殊產品。
3、如由客戶提供確定的產品類型和型號時,客戶應正確說明其型號的含義和要求,在供需雙方理解一致的條件下簽訂合同。
您也可以聯系在線客服